一、 D671X气动对夹式蝶阀概述:
D671X气动对夹式蝶阀是在引进国外 技术的基础上进行特殊设计,精心制造的产品。蝶阀配行程限位开关、电磁阀、三联件及0.4-0.7MPa气源可 实现开关操作,并送出二对无源触点信号指示阀门的开关。采用智能控制与定位时,与国产电气阀门定位器配套,输入4-20mADC信号及 0.4-0.7MPa气源即可实现智能控制,实现对压力、流量、温度、液位等参数的调节,它是以压缩空气为动力,阀杆带动阀芯在阀体内转动90℃,可以实 现全开 D671X气动对夹式蝶阀按其密封性能分为金属密封与软密封。具有结构紧凑,体积精小,运行可靠,密封性好,维修容易,安装方便,适应性强等优点;可广泛 应用于石油、化工、轻工、制药、造纸、汽车等工业自动控制系统中作远距离集中控制或就地控制。
二、D671X气动对夹式蝶阀主要性能规范:
GTD/DA气动执行机构技术参数 | 阀 体 参 数 | ||
类 型 | 双作用活塞式、弹簧复位式 | 公称通径 | DN40~500mm |
气源压力 | 双作用:2-8bar/单作用:4-8bar | 公称压力 | PN1.0、1.6MPa |
输出力矩 | 双作用:4N·M~10560N·M | 阀轴材质 | 碳钢、304/316/316L不锈钢 |
单作用:7N·M~2668N·M | 阀体材质 | 球墨铸铁、 碳钢、不锈钢 | |
工作温度 | 常温型:-20℃~80℃(丁腈橡胶O型圈) | 阀板材质 | 球墨铸铁、304/316/316L不锈钢 、尼龙 |
高温型:-20℃~160℃(氟橡胶O型圈) | 阀座密封 | EPDM、NBR、耐磨橡胶 | |
动作范围 | 0~90°±5° | 结构形式 | 中线型 、无销型 |
接口螺纹 | GTD40~GTD83/ATD50~ATD88 G1/8″ | 温度 | EPDM≤80℃;NBR≤68℃ |
GTD110~GTD350/ATD100~200 G1/4″ | 适用介质 | 水、空气、天然气 | |
阀位信号 | 定位器:4~20mA/回信器:全开全关信号 | 特点 | 用途广、整体造价低、流量大、流阻小 |
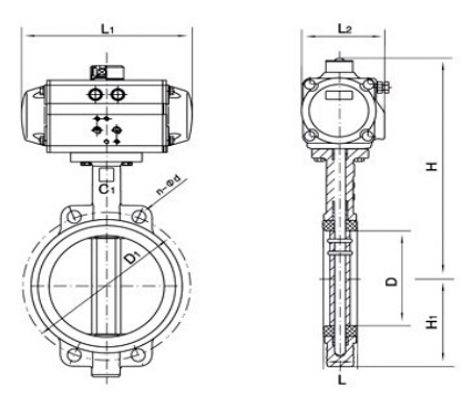
三、D671X气动对夹式蝶阀主要技术图纸

四、D671X气动对夹式蝶阀主要特点:
D671X气动蝶阀具有体积小、轻便宜人、性能可靠、配套简单、流通能力大,特别是适合于介质是粘稠、含颗粒、纤维性质的场合。目前该阀门广泛应用于食品、环保、轻工、石油、造纸、化工、教学和科研设备、电力等行业的工业自动控制系统中。
五、D671X气动对夹式蝶阀主要外形连接尺寸:
公称通径DN | A | B | C | D | E | 执行器型号 |
压力 | 1.0/1.6 | 1.0/1.6 | 1.0/1.6 | 1.0/1.6 | 1.0/1.6 | (仅供参考) |
40 | 185 | 282 | 63 | 104 | 32 | SZ-50 |
50 | 185 | 286 | 63 | 104 | 43 | SZ-50 |
65 | 185 | 295 | 70 | 104 | 46 | SZ-50 |
80 | 185 | 300 | 89 | 104 | 46 | SZ-50 |
100 | 215 | 350 | 106 | 115 | 52 | SZ-65 |
125 | 265 | 392 | 120 | 115 | 56 | SZ-85 |
150 | 265 | 430 | 132 | 115 | 56 | SZ-85 |
200 | 300 | 443 | 164 | 127 | 60 | SZ-95 |
250 | 340 | 491 | 200 | 127 | 68 | SZ-110 |
300 | 380 | 565 | 238 | 127 | 78 | SZ-125 |
350 | 485 | 650 | 280 | 164 | 78 | SZ-160 |
400 | 485 | 703 | 302 | 164 | 102 | SZ-160 |
450 | 589 | 811 | 335 | 164 | 114 | SZ-255 |
500 | 638 | 895 | 360 | 164 | 127 | SZ-300 |
六、D671X气动对夹式蝶阀主要零部件材料
名称 | 国标 |
阀体 | 铸铁、球墨铸铁、铸钢WCB碳钢、304不锈钢、316不锈钢、合金钢、2520和2507双相不锈钢等 |
阀板 | 铸铁、球墨铸铁、铸钢WCB碳钢、304不锈钢、316不锈钢、合金钢、2520和2507双 相不锈钢等 |
转轴 | 2Cr13 |
转套 | ZCuZn38Mn3Pb2 |
阀板密封圈 | 丁腈、三元乙丙橡胶、聚四氟乙烯PTFE等 |
阀体钢环 | 0Cr18Ni9 |
七、D671X气动对夹式蝶阀订货说明:
金豪阀门对贵公司的承渃
1、 我公司对产品的质量实行三包;包质、包换、包修
2、 合同签定后,质量保证,按时交货
3、 客户在订货中务必提供以下说明;
【1】 结构长度【2】链接方式【3】公称直径【4】产品使用介质、温度、压力、参数等
4、尊敬的客户,如有疑问,我公司一定会竭尽全力为您提供 良好的服务